WEBcontrol Webserver

Ce projet a pris forme après l'achat d'une carte appelée IP110 de la firme IPTeq (firme qui semble avoir disparu). Ce module tournait autour d'un microcontroleur PIC18F67J60 de Microchip. Le problème était que cette carte faisait apparaître les pages Web en allemand car elle avait été achetée il y a quelques années à la bourse radioamateur de Dortmund, moi çà ne me génait pas trop mais les copains avaient plus de difficultés et de plus les concepteurs avaient supprimé certains fonctions présentes dans le software de démonstration fourni par Microchip TCPI Stack.

Le déclencheur a été quand j'ai trouvé sur le NET que mon PICKIT2 (programmeur de microcontroleur PIC) fonctionnait pour le chip utilisé par les allemands et que ce circuit ne coutait vraiment pas cher. Pour quelques Euros, un peu de temps passé à dessiner un prototype et le tirer, je verrai bien si çà fonctionne, et comme çà a fonctionné...

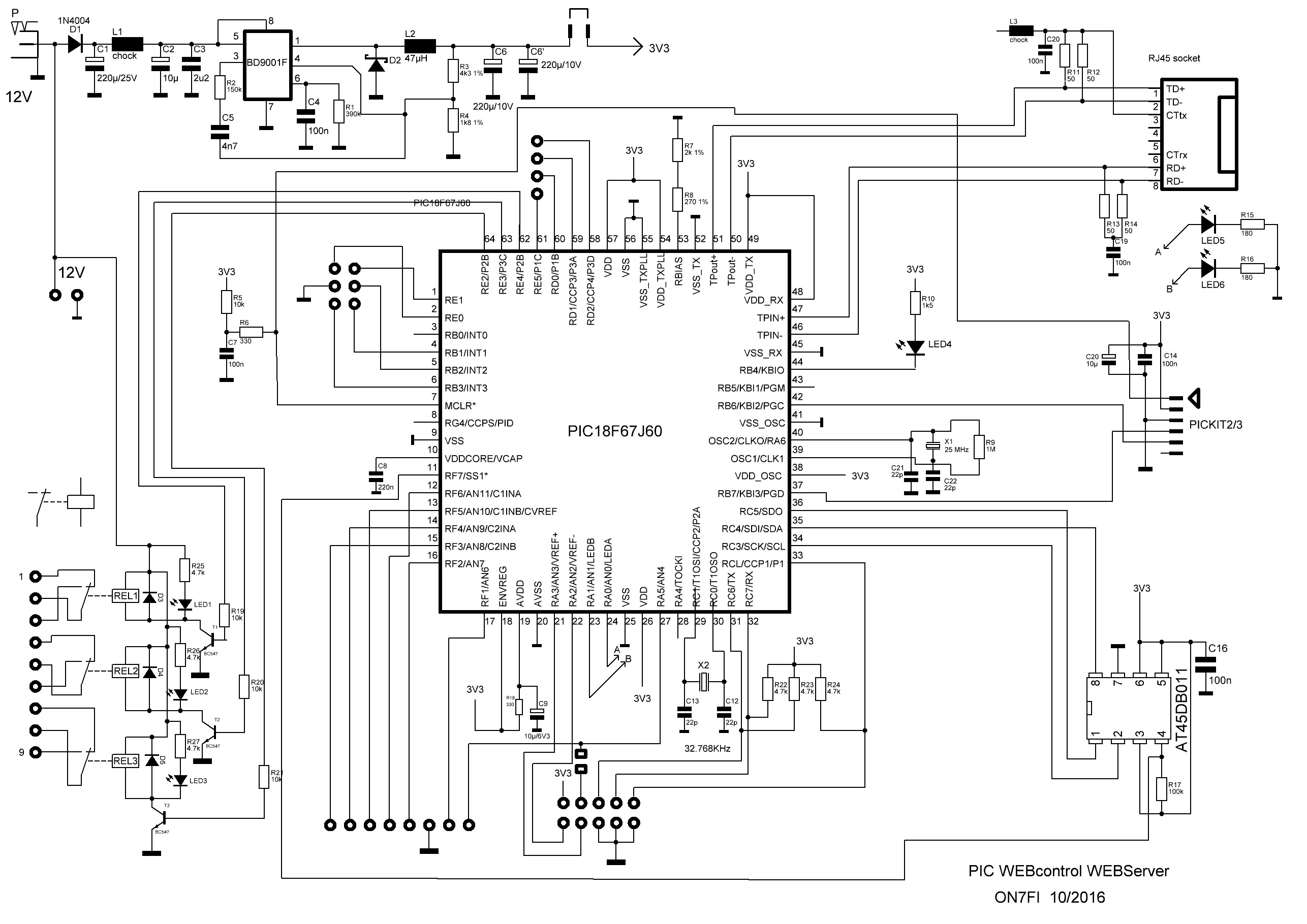
Voici donc une réalisation qui est orientée vers l'utilisation que j'ai de ce processeur, c'est à dire commander des relais afin de pouvoir couper à distance des stations répétitrices de radioamateurs et d'en surveiller la température, le courant et la tension des batteries car nos relais sont munis de batteries chargées par des panneaux solaires. Il est possible de faire évoluer ce montage vers d'autres applications car j'ai rendu accessible la plupart des pins I/O.

Voici le schéma qui pourra évoluer car certains composants commence à devenir obsolète. (pour plus de clarté cliquez ICI)

 

 

Voici le prototype fait sur un circuit imprimé homemade (fait dans ma cave).

 

Voici l'implantation. (ou le fichier ICI)

Le circuit tirage industriel vue des deux faces câblage en cours.

+

Voici la liste des composants.

 

 

Voici un lien vers une façon de souder des composants comme le microcontroleur à 64 pattes au pas de 0,5 mm.

https://www.youtube.com/watch?v=5uiroWBkdFY

Je vous conseille de ne pas souder le quartz avant le PIC et même pas les connecteurs, vous profiterez du dégagement pour votre fer à souder.

N'oubliez pas de raccorder votre fer à souder à la masse du montage, un câble avec deux crocodiles fera bien l'affaire et mettez vous à la masse également çà ne peut pas faire de tort (à moins que vous ne le soyez par nature HI.

 

 

 

Parlons soft.